Recommended Products
咨詢熱線:
0519-82518168
電話:18922852877
郵箱:jacky@xbwsemi.com
QQ:523062883
地址:江蘇省常州市金壇區儒林開發區長豐路18號
橋(有時也稱為軟開關橋)、普通整流橋以及快恢復整流橋在整流電路中扮演著不同的角色,它們之間的區別主要體現在結構、工作原理、性能特點以及應用場景等方面。

圖1 貼片整流橋實物圖
一、結構
軟橋
主要由可控硅(晶閘管)等元器件組成,有時也包含二極管和晶體管。結構相對復雜,因為包含了有源控制器件。
普通整流橋
由四個二極管封裝在一起,形成全橋整流電路。結構簡單,易于制造和維護。
快恢復整流橋
也由四個二極管組成,但使用的是快恢復二極管。快恢復二極管與普通二極管的主要區別在于其反向恢復時間更短。
二、工作原理
軟橋
通過觸發電路精確控制可控硅等器件的開關狀態,從而實現整流電壓的變化。
由于加入了有源控制器件,軟橋可以實現更精細的電流控制。
普通整流橋
利用二極管的單向導電性能,將交流電轉換為直流電。
在交流電的正半周期內,兩個二極管正向導通,另外兩個二極管反向截止;在負半周期內,情況相反。
快恢復整流橋
工作原理與普通整流橋類似,但快恢復二極管能夠更快速地清除存儲電荷,從而減少反向恢復過程中產生的功耗和電磁干擾(EMI)。
三、性能特點
軟橋
響應速度快,穩定性好。
由于采用了有源控制器件,可以實現更高的整流效率和更精細的電流控制。
但成本相對較高,結構復雜。
普通整流橋
成本低廉,結構簡單。
可靠性高,使用壽命長。
但轉換效率相對較低(與軟橋和快恢復整流橋相比)。
快恢復整流橋
具有快速恢復的特點,適用于高頻、高效、高可靠的電源應用。
能夠減少反向恢復時間和反向恢復電荷,從而降低開關損耗和EMI。
但成本也相對較高。
四、應用場景
軟橋
適用于系統要求響應速度較快的領域,如變頻調節、電機控制等。
也適用于需要精細電流控制的場合。

圖2 軟啟動電路
普通整流橋
廣泛應用于低功率、低頻率的電源電路中,如家用電器、LED燈等。
也適用于對成本有要求的場合。

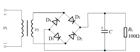
圖3 普通整流橋電路
快恢復整流橋
適用于高頻、高效、高可靠的電源應用,如電源開關、變換器、掃描電路等。
也適用于對EMI敏感的應用環境。

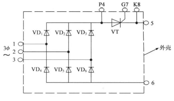
圖4 三相快恢復整流橋電路