Recommended Products
咨詢熱線:
0519-82518168
電話:18922852877
郵箱:jacky@xbwsemi.com
QQ:523062883
地址:江蘇省常州市金壇區儒林開發區長豐路18號
在現代電子電路與電力系統中,整流器是不可或缺的基礎元器件,其核心作用是將方向交替變化的交流電(AC) 轉換為方向固定、大小相對穩定的直流電(DC),為LED、芯片、傳感器、電機驅動、電源模塊等絕大多數直流用電設備提供穩定的供電基礎。從手機充電器、家電電源,到工業供電、新能源設備,整流器都是電能轉換的關鍵環節,其工作原理圍繞半導體器件的單向導電特性展開,主要分為半波整流、全波整流、橋式整流三大核心類型。
一、整流器的核心基礎:單向導電特性
整流器的工作依賴二極管這一核心半導體器件,二極管具有典型的單向導電性:當陽極接高電位、陰極接低電位時,二極管正向導通,電流可順利通過;當陽極接低電位、陰極接高電位時,二極管反向截止,電流無法流通。正是利用這一特性,整流器能夠“篩選”交流電的正負半周,將交替變化的電流轉化為單一方向的直流電流,這是整流工作的根本原理。

二、三種主流整流電路的工作原理
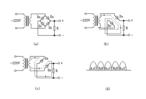
1. 半波整流:最簡單的基礎整流
半波整流是結構最簡易的整流方式,僅由一個二極管與負載串聯組成。交流電輸入時,正半周到來時二極管正向導通,電流流經負載形成回路;負半周到來時二極管反向截止,電路中無電流通過。
這種方式僅利用了交流電的半個周期,輸出的直流電為斷續的脈沖波形,效率低、紋波大,僅適用于對電源穩定性要求極低的簡易電路,是整流原理的基礎演示形式。

2. 全波整流:利用雙繞組提升效率
全波整流需要兩個二極管配合帶中心抽頭的變壓器工作,變壓器次級繞組分為對稱的兩部分,兩個二極管分別連接繞組兩端,共同接向負載。交流電輸入時,正負半周分別驅動兩個二極管交替導通,兩個半周的電流最終都以相同方向流過負載,實現了全周期的電流利用。
相較于半波整流,全波整流輸出的直流電連續性更好、效率更高,但缺點是需要專用的中心抽頭變壓器,體積和成本更高,應用場景相對受限。

3. 橋式整流:最常用的高效整流
橋式整流是目前應用最廣泛的整流形式,由四個二極管接成電橋結構,無需中心抽頭變壓器,適配普通交流輸入。其工作原理為:交流電正半周時,一組對角的兩個二極管導通,另一組截止;負半周時,另一組對角的二極管導通,原先導通的一組截止。
無論交流電正負半周如何變化,電流始終以同一方向流過負載,完整利用了交流電的全部周期,輸出效率高、波形平穩,是電源適配器、開關電源、工業整流設備的首選方案,也是我們日常電子設備中最常見的整流形式。

三、整流后的關鍵環節:濾波與穩壓
經過整流器輸出的電流,雖為單一方向的直流電,但仍存在電壓波動(紋波),無法直接供給精密電子元件使用。因此在整流電路后,通常會搭配電容、電感組成濾波網絡,濾除脈沖紋波,將波動的直流電轉化為平滑的直流電;部分高精度電路還會增加穩壓芯片,進一步穩定輸出電壓,確保供電的純凈與穩定。
四、整流器的核心價值與應用
整流器的本質是電能形態的轉換器件,依托二極管單向導電的核心原理,實現了交流電到直流電的精準轉換。它小到手機充電頭、LED驅動,大到汽車發電機、新能源充電樁、工業變頻設備,都是電能轉換的核心部件,直接決定了供電系統的效率、穩定性與可靠性。

理解整流器的工作原理,是掌握電源電路、電子電力技術的基礎,也能清晰認識到這一基礎元器件在現代電子設備中不可替代的作用。